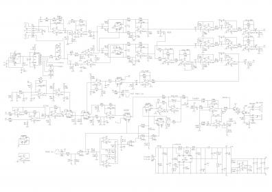
إليكم هذه الدارة المعقدة والممتازة حسب ما يبدو لي
إعـــــــلان
تقليص
لا يوجد إعلان حتى الآن.
دارة لكاشف متطورة و صعبة بعض الشيء
تقليص
هذا الموضوع مغلق.
X
X
-
دارة لكاشف متطورة و صعبة بعض الشيء
الكلمات الدلالية (Tags): detector, detector metal, detectors, detectors gold, exp 4500, fisher f75, fisher75, gold detector, gold detector scanner, gold detectors, gold jeohunter, goldكشف الكنز, gpx 4500, gpx4500, how to make metal detector, jeohunter, jeohunter 3d, jeohunter 3d detector gold, jordan detector, metal detector android, metal detector sensor, mf 1100, okm metal detector, okm metal detectors, real gold detectors, real okm metal detectors, top detector, underground metal detector, أجهزة البحث عن الذهب, أجهزة الكشف عن الذهب, أجهزة الكشف عن المعادن, أجهزة كشف الذهب, أجهزة كشف الذهب والكنوز, أجهزة كشف الكنوز, أجهزة كشف المعادن, أسواق الذهب بالرياض, أسياخ النحاس للبحث عن الذهب, أسياخ النحاس للبحث عن الذهب والمعادن, اثار الذهب, اثار تحت الارض, اجهزة اكتشاف الذهب, اجهزة البحث عن الاثار, الشيء, دارة, صعبة, لكاشف, متطورة
-
المشاركة الأصلية بواسطة ممووسسىى مشاهدة المشاركةانا لا استطيع تصفح اي شيء ارجو من الادارة التكرم وتفعيل عضويتي وشكراااااااااااا
كيف لاتستطيع تصفح اي شيئ - وانت بعدة اقسام مشارك - قم انت بتفعيل عضويتك
وتفضل مشكورا - واطلب تبديل اسم معرفك الغير مفهوم واخنر اسما اخر غيره يكون لائقا
يمكنك كتابته هنا اذا اردت او في قسم الشكاوي والاقتراحات واختر عدة اسماء الافضل
والذي بعده والذي بعد بعده بالتسلسل بحيث اذا كان ا لاسم ا لاول الذي اخترته مسجل سابقا لدينا
ناءخذ بالذي يليه بعده -
فضلا اجابة الطلب حتى لاتعرض عضويتك للايقاف فالاسماء المتشابهة والمبهمة والغير
لائقة و مفهومة مرفوضة لدينا لاءنها مخالفة لقوانين المنتدى -
ستصلك نسخة طبق الاصل عن هذه المشاركة برسالة خاصة -
تعليق


تعليق